
冷水機不銹鋼冷水循環泵特點:
1、單級葉輪離心泵,軸向吸水,徑向排水
2、閉式的不銹鋼葉輪,優秀的水力模型保證泵效率和可靠性
3、性能穩定,故障率低
4、維修方便,更換密封、軸承、簡易方便
冷水機不銹鋼冷水循環泵用途例:
1、用于輸送傳輸清潔,化學物料
2、冷水機、冰水機
3、空調系統水循環
4、設備配套
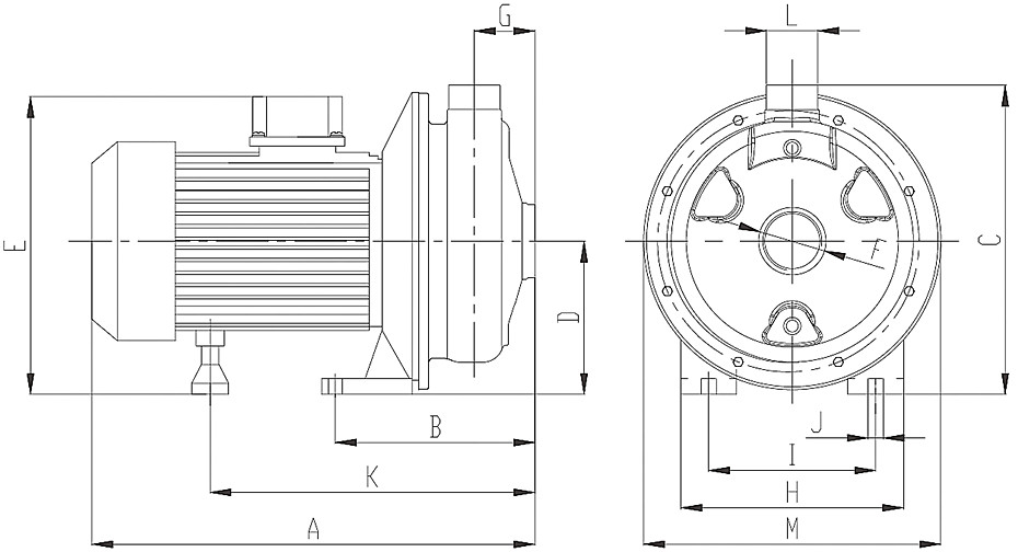
冷水機不銹鋼冷水循環泵核心部件技術特性:
1、 泵蓋 SUS304不銹鋼 沖壓成型、耐輕度腐蝕、光潔度好
2、軸封座
3、電機 F級漆包線+不銹鋼軸芯+冷軋矽鋼片 304不銹鋼軸芯;F級絕緣等級;IP54防護等級;進口品牌高溫軸承
4、機械軸封 碳化硅+石墨+高溫橡膠+不銹鋼彈簧 耐高溫、耐磨、穩定性好(可根據循環介質進行定制)
5、 葉輪 201不銹鋼 不銹鋼沖壓、焊接成型;動平衡精度高;水利性能優越




