


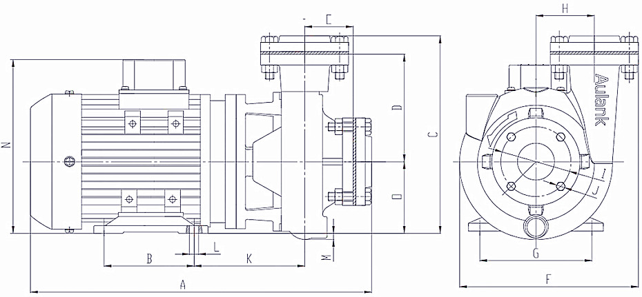
熱油離心泵特點:
1、采用電機直接聯接,機泵軸完全同心。
2、低噪音,低能耗,無脈動,流速快,高揚程,穩定性更好。
3、現場維修保養簡單,為用戶降低成本。
4、泵里除機械密封摩擦副外無任何金屬性摩擦,性能保持長期穩定
熱油離心泵用途例:
1、高溫模溫機,油加熱器,橡膠機械模溫機等高溫溫控設備
2、適用于能源,冶金,浴室,賓館等鍋爐熱水增壓輸送
3、各種成套溫控設備中的大流量增壓
4、高溫循環系統輸送不含顆粒的液體。
熱油離心泵材質:
1、泵體:黃銅
2、軸心材質:不銹鋼
3、密封材質:石墨+碳化硅+高溫橡膠
4、葉輪:黃銅
5、電機絕緣等級:F級
6、防護等級:IP54





管理員
該內容暫無評論